|
ولتاژ |
برق متناوب ۳۸۰ ولت |
|
حداکثر جریان |
7 متر مکعب در ساعت |
|
مکس هد |
30 متر |
|
سی ارتباطات |
مدولاسیون پهنای پالس (PWM) |
|
قدرت |
۱۰۰۰ وات |
|
کلاس آی پی |
IP67 |
|
کانکتور |
چاک |
مورد شماره:
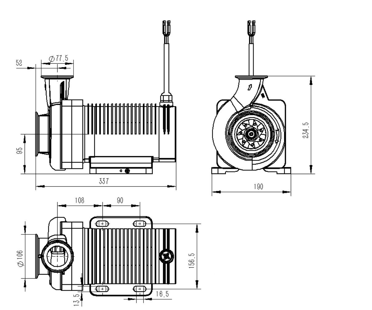
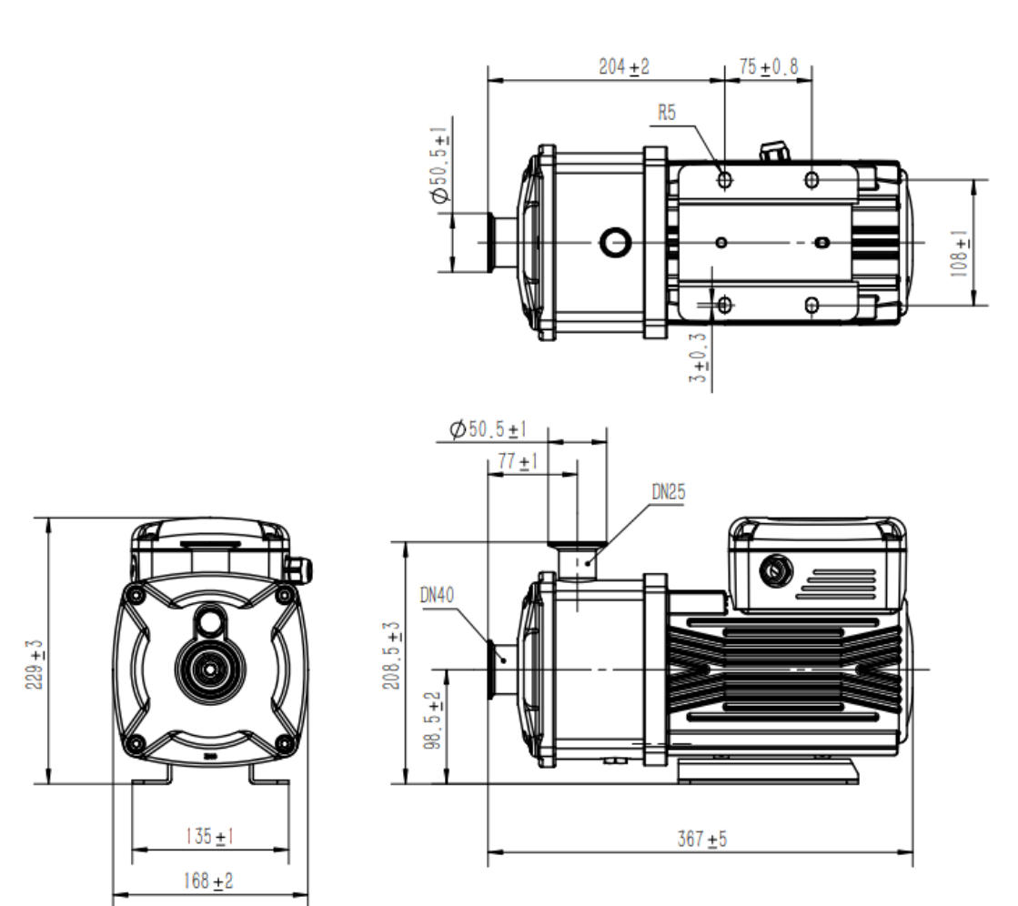
EPS25-30NCطراحی هیدرولیک پیشرفته: مهندسی شده برای کنترل بهینه جریان و فشار با استفاده از پروانه سه بعدی و فناوری شبیه سازی هیدرولیکی.
سیستم روتور مرطوب: عملکرد بیصدا و کارآمد را با حداقل سایش و کاهش اتلاف انرژی تضمین میکند.
بهرهوری انرژی: موتور سفارشی با شبیهسازی راندمان بالا، عملکرد برتر و مصرف برق کمتری را ارائه میدهد.
عمر طولانی: طراحی بدون نیاز به تعمیر و نگهداری و بدون آببند مکانیکی، که نشتی را از بین میبرد و زمان از کارافتادگی را در طول عمر پمپ کاهش میدهد.
زیباییشناسی مدرن: طراحی نسل جدید خانواده با طرح رنگ کلاسیک - ترکیبی از عملکرد بالا با سبک صنعتی اصلاحشده.
الزامات رسانهای
|
متوسط: مخلوط آب یا آب + گلیکول (≤ 50%) |
دمای متوسط: -40℃~65℃ |
|
مقدار PH محیط: 6.5-8.5 |
سختی متوسط: 25°dH |
|
محتوای ناخالصیهای جامد در محیط: قطر و جهت طول ناخالصیهای جامد ≤ 0.1 میلیمتر و نسبت حجمی ≤ 0.1٪. |
|
الزامات محیط خدمات
|
کاربرد: محور را افقی نگه دارید |
ارتفاع: ≤ ۲۰۰۰ متر |
|
دمای محیط عملیاتی: -40 ۷ درجه سانتیگراد 0 ℃ (هیچ گونه یخ زدگی در خط لوله و پمپ آب وجود ندارد) |
رطوبت محیط عملیاتی ≤95٪ |
الزامات محیط ذخیرهسازی
|
دمای محیط نگهداری: -40 ℃ ~70 ℃ (هیچ گونه یخ زدگی در خط لوله و پمپ آب وجود ندارد) |
رطوبت محیط نگهداری: ≤95٪ |
طراحی نصب


برچسب ها :