منبع تغذیه | 220 ~ 240V 50/60Hz ، AC |
حفاظت حرکتی | حفاظت خارجی لازم نیست |
کلاس IP | IP44 |
کلاس عایق | سخنرانی |
رطوبت(RH) | حداکثر 95 ٪ |
فشار سیستم | 1 0 MPa |
رعایت | CE/ GS/ EMC/ LVD/ ROHS/ REACH |
دمای محیط | 0ï½+40● |
درجه حرارت | TF110 |
دمای مایع | -30ï½+110●(گلیکول تا 50 ٪) |
مورد شماره:
Master D 20-41. سیستم آبرسانی خانگی و آبرسانی خانگی
2. سیستم گردش خون
3. سیستم گرمایش با دمای خط لوله متغیر
4. سیستم تهویه مطبوع و خنک کننده
5. سیستم گردش خون
6. سیستم آبرسانی آب گرم و آب آشامیدنی خانگی
1. سیستم گرمایش پایدار با جریان متغیر
2. سیستم با حالت شب
3. سیستم با مایع دمای متغیر
4. سیستم با جریان ثابت یا متغیر
5. نوع اتصال/اتحادیه هااستاندارد مولکس / TE / Shinhoo
مزایای:
1. عملکرد یک دکمه بصری انتخاب هر حالت کنترل را ساده می کند
2. هیچ حفاظت از موتور خارجی نیاز به کاهش زمان نصب دارد
3. شروع با مساحت بالا ، راه اندازی را در شرایط سخت بهبود می بخشد
4. تعمیر و نگهداری رایگان و بدون سر و صدا به دلیل طراحی کنسرو روتور و استفاده از اجزای قوی
5. پلاگین اتصال سریع باعث می شود نصب الکتریکی سریع ، ایمن و آسان باشد
6. پوسته های عایق برای به حداقل رساندن از دست دادن گرما در سیستم های گرمایش در دسترس هستند
7. این پمپ دارای سه حالت منحنی ثابت ، منحنی فشار متناسب ، منحنی فشار ثابت ، حالت خودکار و شب است
8. سرعت همچنین می تواند توسط یک سیگنال PWM با ولتاژ کم از یک کنترلر برای بهینه سازی عملکرد سیستم کنترل شود ، هم PWM1 برای گرمایش و هم PWM2 برای سیستم های خورشیدی در دسترس است
9. گردش دهنده با راندمان بالا که دارای ساختار جمع و جور به خوبی طراحی شده ، کنترلر یکپارچه و مبدل فرکانس است
10. برای نصب و بهره برداری در بیشتر زمینه های برنامه ها آسان است
11. از نظر مصرف برق ، حالت عملکرد منحصر به فرد باعث می شود که با راندمان بالا صرفه جویی در مصرف انرژی بیشتری داشته باشد
نصب و بهره برداری آسان
مجهز به مدل سازگار با خود (حالت خودکار ، تنظیم کارخانه) ، پمپ پس از اتصال برق اجرا می شود و عملکرد خود را با توجه به نیازهای واقعی سیستم تطبیق می دهد کنترل تحت تأثیر سیگنال مدولاسیون پالس دیجیتال (PWM) سیگنال ولتاژ کم قرار دارد و این امکان را فراهم می کند که از پمپ برای برآورده کردن نیازهای مختلف جریان در سیستم های مختلف استفاده شود
سر و صدای کم و راحتی زیاد
شاخص سر و صدا: ≤42db (A)
مصرف انرژی کم
راندمان انرژی طبقاتی ، مصرف برق کمترین به 5W
محافظت چندگانه
با ولتاژ بیش از حد و محافظت بیش از حد
معیار سازگار با محیط زیست
eei≤0 20 قسمتی 2
پلاگین برق سریع انتشار
راه اندازی کنید و پمپ را به سرعت متوقف کنید.
1 چراغ های نشانگر وضعیت عملیاتی واقعی را نشان می دهد
2 پمپ دارای یک شافت سرامیکی و یاتاقان های شعاعی ، یاتاقان رانش کربن ، روتور فولادی استنلس استیل ، صفحه یاتاقان و روکش روتور ، پروانه کامپوزیت است که همه اینها به عمر طولانی کمک می کند
3 بهترین مواد آهنربا راندمان بالایی از موتور و پمپ را تضمین می کند
4 پمپ از طریق سیستم خود سرمایه گذاری می کند ، که به راه اندازی آسان کمک می کند طراحی جمع و جور با جعبه کنترل یکپارچه و کنترل پنل در کنار موتور در بیشتر تاسیسات متداول قرار می گیرد
5 محفظه پمپ از چدن و الکترو روکش شده برای بهبود مقاومت در برابر خوردگی ساخته شده است
6 موتور یک موتور همزمان دائمی/جمع و جور-ستاره ای است که با راندمان بالا مشخص می شود
7 سرعت پمپ توسط یک مبدل فرکانس یکپارچه در جعبه کنترل کنترل می شود
8 پمپ مجهز به محلول های اتصال سریع مختلف (اتصال سریع ، TE ، Molex و غیره) برای تحقق الزامات سیستم های مختلف
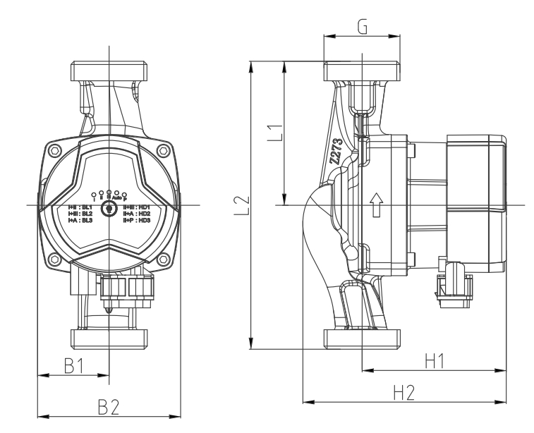
داده های فنی
مدل: استاد D 20-4
قدرت: 25W
جریان: 0 50a
ولتاژ/ فرکانس: 230V 50/ 60Hz
مسکن پمپ: چدن
مایع پمپ شده: آب
کلاس عایق: H
درجه حفاظت: IP44
دامنه دمای مایع: -30-110
انرژی (EEI): ≤0 20 قسمتی
فشار سیستم حداکثر: 1 0MPA
شرایط کار
1 دمای محیط
دمای محیط 0 ●++70 است
2 رطوبت نسبی هوا (RH)
حداکثر رطوبت 95 ٪ است
3 دمای رسانه (انتقال مایع)
دمای انتقال مایع +2 ● 110 ●
برای جلوگیری از ظاهر شدن جعبه کنترل و استاتور از آب میعانات ، دمای مایع انتقال پمپ باید همیشه از دمای محیط بالاتر باشد
4 فشار سیستم
حداکثر 1 0 MPa (10 بار) است
5. سطح حفاظت
IP44
6 فشار ورودی
برای جلوگیری از آسیب به بلبرینگ پمپ ناشی از سر و صدای کاویتاسیون ، حداقل فشار زیر باید در ورودی پمپ حفظ شود:
| دمای مایع | 75● | 95● | 110● |
| فشار | 0 05bar | 0 5bar | 1 08bar |
| رئیس تحویل 0 5 متر | رئیس تحویل 5 متر | رئیس تحویل 10 8 متر |
7 طراحی نصب

8 پمپاژ مایع
مایع نازک ، تمیز ، غیر خوردگی و غیر منفجر کننده حاوی هیچ ذرات جامد ، الیاف یا روغن معدنی نیست از پمپ نباید برای انتقال مایعات قابل اشتعال مانند روغن نباتی و بنزین به طور کامل استفاده شود اگر از پمپ در گردش برای مورد ویسکوزیته زیاد استفاده شود ، عملکرد پمپ کاهش می یابد ، بنابراین ، هنگام انتخاب پمپ ، ویسکوزیته مایع باید در نظر گرفته شود.


برچسب ها :