Horizontal Multistage Centrifugal Pump
Horizontal Multistage Centrifugal Pump

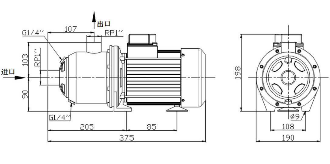
پمپ گریز از مرکز افقی چند مرحله ای MHI-203Q سه فاز

داده های فنی

ولتاژ نامی

۳۸۰ ولت

سر دارای رتبه

۲۸ متر

جریان نامی

۲ متر مکعب در ساعت

حداکثر سر

۳۳ متر

حداکثر جریان

6 متر مکعب در ساعت

کلاس عایق

ف

فشار طراحی

10 بار

لرزش

< ۲.۸ میلی‌متر بر ثانیه

کلاس حفاظت

IP54

فرکانس

۵۰ هرتز

جریان نامی

۱.۴۸ آمپر

قدرت نامی

۵۵۰ وات

نویز

< ۶۲ دسی‌بل ( الف )

حداکثر قدرت

۶۵۰ وات

  • مورد شماره:

    AHM-203T

آبرسانی و تقویت کننده

سیستم گردش صنعتی

سیستم خنک‌کننده مایع ایستگاه شارژ

سیستم خنک‌کننده مایع ذخیره‌سازی

سیستم‌های آبرسانی خانگی

سیستم‌های گردش آب گرم و تهویه مطبوع

سیستم‌های گردش صنعتی

نظافت و سیستم‌های آبیاری بارانی باغ

سیستم‌های خنک‌کننده مایع مرکز داده

۱. جنس – فولاد ضد زنگ

2. پروانه چند مرحله‌ای، هد بالا

3. آب‌بند مکانیکی دوطرفه، نگهداری آسان

۴. طراحی بلوک فشرده

۵. تمام قطعات هیدرولیکی که با سیال در تماس هستند، مانند محفظه‌های مرحله‌ای، پروانه‌ها و دیفیوزرها

شرایط کاری

۱. منبع تغذیه: ۱~۲۲۰ ولت/۵۰ هرتز؛

۲. حداکثر فشار سیستم: ≤۱.۰MPa؛

۳. کلاس عایق: F؛

4. سطح حفاظت: IP54؛

5. دمای مایع انتقال دهنده: -25℃~90℃؛

6. مایع تحویل: آب تمیز؛

۷. این پمپ آب برای انتقال آب آشامیدنی، آب گرم، آب صنعتی، آب کندانس، مخلوط اتانول و آب (با حداکثر میزان اتانول ۴۰٪) و سایر مایعاتی که حاوی روغن معدنی، الیاف بلند یا مواد خورنده نباشند، مناسب است.

یادداشت‌های طراحی

۱. حفاظت موتور برای موتور AC سه فاز اختیاری است یا باید در محل ارائه شود

۲. موتور AC تک فاز مجهز به محافظ حرارتی موتور و خازن داخلی

صدور گواهینامه محصول

این محصول با الزامات صدور گواهینامه 3C مطابقت دارد.

الزامات محیط برنامه کاربردی

از رسانه استفاده کنید: محلول مخلوط آب زلال/آب + اتیلن گلیکول (≤50%)

دمای متوسط: 0 ~ 110℃/-25℃ ~ 110℃

مقدار PH متوسط : ۶.۵-۸.۵

سختی متوسط: ۲۵ درجه سانتیگراد

محتوای ناخالصی جامد در محیط: قطر و جهت طول ناخالصی جامد ≤ 0.1 میلی‌متر و نسبت حجمی ≤ 0.1٪.

الزامات محیط خدمات

طریقه استفاده: محور را افقی نگه دارید

ارتفاع: < ۳۰۰۰ متر

دمای محیط عملیاتی: -25 ℃ ~ 55 ℃ (هیچ گونه یخ زدگی در خط لوله و پمپ آب وجود ندارد)

رطوبت محیط عملیاتی: ≤95٪

الزامات محیط ذخیره‌سازی

دمای محیط نگهداری: -30℃~60℃ (هیچ گونه انجمادی در خط لوله و پمپ آب وجود ندارد)

رطوبت محیط نگهداری: ≤95٪

بازرسی کارخانه

تشخیص سفتی دستگاه

تشخیص عایق موتور

مقاومت در برابر تشخیص ولتاژ

تشخیص جریان نشتی

تشخیص مقاومت زمین

توان بدون بار، تشخیص جریان

تشخیص نوبت

آزمون قابلیت اطمینان

آزمایش عملکرد هیدرولیکی

آزمایش ارتعاش

تست نویز

آزمایش فشار آب

تست ایمنی الکتریکی کل ماشین

تست سطح حفاظت

آزمایش اسپری نمک

آزمایش شوک حرارتی

افزایش دما

آزمایش میعانات

آزمون زندگی

آزمون شروع-توقف

آزمایش دما و رطوبت بالا

دستورالعمل‌های نصب و ایمنی

۱. مایع پمپ شده ممکن است مایعی با دما و فشار بالا باشد. قبل از جابجایی و جداسازی پمپ، مایع موجود در سیستم باید تخلیه شود یا شیرهای قطع و وصل در دو طرف پمپ باید بسته شوند تا از سوختگی جلوگیری شود.

۲. در زمستان، زمانی که سیال مورد استفاده آب تمیز است، اگر سیستم پمپ کار نمی‌کند یا دمای محیط کمتر از ۰ درجه سانتیگراد است، مایع موجود در سیستم لوله‌کشی باید تخلیه شود تا از یخ‌زدگی و ترک خوردن بدنه پمپ جلوگیری شود.

۳. اگر پمپ برای مدت طولانی استفاده نمی‌شود، لطفاً شیر لوله آب را در ورودی و خروجی پمپ ببندید و منبع تغذیه پمپ را قطع کنید. اگر متوجه شدید که موتور داغ یا غیرعادی است، لطفاً فوراً شیر انتهای ورودی پمپ را ببندید، منبع تغذیه پمپ را قطع کنید و فوراً با فروشنده یا مرکز خدمات محلی خود تماس بگیرید.

۴. این محصول باید دور از دسترس کودکان قرار گیرد. پس از نصب، اقدامات ایزوله‌سازی باید انجام شود تا از تماس کودکان با آن جلوگیری شود.

5. جهت نصب پمپ آب این است که جهت محوری پمپ افقی باشد.

6. پمپ آب باید نصب شود تا از باران، آب، قرار گرفتن در معرض و سایر مکان ها جلوگیری شود.

۷. پمپ آب نمی‌تواند مستقیماً با اجسام سخت برخورد کند.

۸. روشن کردن پمپ آب بدون آب برای جلوگیری از ساییدگی و پارگی آب‌بند مکانیکی یا حتی سوختن دستگاه ممنوع است.

۹. مایع پمپ شده رقیق، تمیز، غیر خورنده و غیر انفجاری است، حاوی هیچ فیبر یا روغن معدنی نیست و قطر و طول ذرات جامد ≤۰.۱ میلی‌متر و نسبت حجمی ≤۰.۱٪ است. پمپ نباید برای انتقال مایعات قابل اشتعال مانند روغن نباتی و بنزین استفاده شود. اگر پمپ در موقعیتی با ویسکوزیته بالا استفاده شود، عملکرد پمپ کاهش می‌یابد، بنابراین هنگام انتخاب پمپ، ویسکوزیته محیط مایع مورد انتقال باید در نظر گرفته شود.

Residential Circulator Pump

منحنی عملکرد

این منحنی عملکرد برای آب با دمای معمولی، مانند پمپ، مناسب است. در محیط غیر آبی، عملکرد هیدرولیکی پمپ کاهش می‌یابد، بنابراین، در انتخاب پمپ، باید ویژگی‌های محیط مایع را در نظر گرفت. .

جریان-هد

high flow centrifugal pump

جریان-قدرت

Heat Distribution Control Panel circulator pump

یک پیام بگذارید
اگر به پمپ های Shinhoo علاقه دارید و می خواهید جزئیات بیشتری را بدانید ، لطفاً یک پیام را در اینجا بگذارید ، ما به محض اینکه می توانیم به شما پاسخ خواهیم داد.
ارسال کردن

محصولات مرتبط

pressure booster pump
پمپ گریز از مرکز چند مرحله ای افقی MHI-1604Q سه فاز

ولتاژ نامی ۳۸۰ ولت سر دارای رتبه ۳۲ متر جریان نامی ۱۶ متر مکعب در ساعت حداکثر سر ۴۸ متر حداکثر جریان ۲۳ متر مکعب در ساعت کلاس عایق ف فشار طراحی 10 بار لرزش < ۲.۸ میلی‌متر بر ثانیه کلاس حفاظت IP54 فرکانس ۵۰ هرتز جریان نامی ۴.۵۲ آمپر قدرت نامی ۲۲۰۰ وات نویز < ۶۳ دسی‌بل (A) حداکثر توان ۳۱۰۰ وات ​

pressure booster pump
پمپ گریز از مرکز چند مرحله ای افقی سه فاز MHI-1603Q

ولتاژ نامی ۳۸۰ ولت سر دارای رتبه ۲۵ متر جریان نامی ۱۶ متر مکعب در ساعت حداکثر سر ۳۶ متر حداکثر جریان ۲۳ متر مکعب در ساعت کلاس عایق ف فشار طراحی 10 بار لرزش < ۲.۸ میلی‌متر بر ثانیه کلاس حفاظت IP54 فرکانس ۵۰ هرتز جریان نامی ۴.۰۱A قدرت نامی ۱۸۵۰ وات نویز < ۶۳ دسی‌بل (A) حداکثر توان ۲۵۰۰ وات ​

Horizontal Multistage Centrifugal Pump
پمپ گریز از مرکز افقی چند مرحله ای MHI-805Q سه فاز

ولتاژ نامی ۳۸۰ ولت سر دارای رتبه ۴۸ متر جریان نامی 8 متر مکعب در ساعت حداکثر سر ۵۹ متر حداکثر جریان ۱۵ متر مکعب در ساعت کلاس عایق ف فشار طراحی 10 بار لرزش < ۲.۸ میلی‌متر بر ثانیه کلاس حفاظت IP54 فرکانس ۵۰ هرتز جریان نامی ۴.۰۱A قدرت نامی ۱۸۵۰ وات نویز < ۶۲ دسی‌بل (A) حداکثر قدرت ۲۲۰۰ وات ​

 Horizontal Multistage Centrifugal Pump
پمپ گریز از مرکز افقی چند مرحله ای MHI-804Q سه فاز

ولتاژ نامی ۳۸۰ ولت سر دارای رتبه ۳۸ متر جریان نامی 8 متر مکعب در ساعت حداکثر سر ۴۸ متر حداکثر جریان ۱۵ متر مکعب در ساعت کلاس عایق ف فشار طراحی 10 بار لرزش < ۲.۸ میلی‌متر بر ثانیه کلاس حفاظت IP54 فرکانس ۵۰ هرتز جریان نامی ۳.۶۲A قدرت نامی ۱۵۰۰ وات نویز < ۶۲ دسی‌بل (A) حداکثر توان ۱۹۰۰ وات ​

Horizontal Multistage Centrifugal Pump
پمپ گریز از مرکز افقی چند مرحله ای MHI-803Q سه فاز

ولتاژ نامی ۲۲۰ ولت سر دارای رتبه ۲۸ متر جریان نامی 8 متر مکعب در ساعت حداکثر سر ۳۵ متر حداکثر جریان ۱۵ متر مکعب در ساعت کلاس عایق ف فشار طراحی 10 بار لرزش < ۲.۸ میلی‌متر بر ثانیه کلاس حفاظت ها IP54 فرکانس ۵۰ هرتز جریان نامی ۶.۵۵ آمپر قدرت نامی ۱۱۰۰ وات نویز < ۶۲ دسی‌بل (A) حداکثر توان ۱۴۰۰ وات ​

Horizontal Multistage Cenrifugal Pump
پمپ گریز از مرکز افقی چند مرحله ای MHI-405Q سه فاز

ولتاژ نامی ۳۸۰ ولت سر دارای رتبه ۴۶ متر جریان نامی ۴ متر مکعب در ساعت حداکثر سر ۵۷ متر حداکثر جریان ۹.۵ متر مکعب در ساعت کلاس عایق ف فشار طراحی 10 بار لرزش < ۲.۸ میلی‌متر بر ثانیه کلاس حفاظت ها IP54 قدرت نامی ۱۱۰۰ وات نویز < 60 دسی‌بل (A) حداکثر توان ۱۵۰۰ وات ​

Horizontal Multistage Centrifugal Pump
پمپ گریز از مرکز افقی چند مرحله ای MHI-404Q سه فاز

ولتاژ نامی ۳۸۰ ولت سر دارای رتبه ۳۵ متر جریان نامی ۴ متر مکعب در ساعت حداکثر سر ۴۲ متر حداکثر جریان ۹.۵ متر مکعب در ساعت کلاس عایق ف فشار طراحی 10 بار لرزش ​

Horizontal Multistage Centrifugal Pump
پمپ گریز از مرکز افقی چند مرحله ای MHI-403Q سه فاز

ولتاژ نامی ۳۸۰ ولت سر دارای رتبه ۲۸ متر جریان نامی ۴ متر مکعب در ساعت حداکثر سر ۳۳ متر حداکثر جریان ۹.۵ متر مکعب در ساعت کلاس عایق ف فشار طراحی 10 بار لرزش ​

wholesale small circulating pump
پمپ های اساسی سه سرعته 20-12s

مدل20-12s اساسی ، 20-12SB اساسیقدرت270/240/160Wحداکثر جریان1 2/1 0/0 75m³/hحداکثر سر12 مترجاری4aولتاژ/ فرکانس115/230V 50/60Hzمحفظه پمپاژچدن ، بدن مس (B)مایع پمپ شدهابکلاس عایقسخنرانیدرجه حفاظتIP44دامنه دمای مایع2-110●„ƒحداکثر فشار سیستم1 0mpa ​

shinhoo hot water recirculating Three Speed Circulation Pump
پمپ گردش خون سه سرعته 20-6S

مدل20-6s اساسی ،20-6SN اساسیقدرت100/70/55Wحداکثر جریان2 8m³/hحداکثر سر6 مترجاری0 45/0 35/0 25aولتاژ/ فرکانس115/230V 50/60Hzمحفظه پمپاژچدن ، بدنه استیل ضد زنگ (N) ، بدنه مس (B) ، برنز (Q) ، پلاستیک (P)مایع پمپ شدهابکلاس عایقسخنرانیدرجه حفاظتIP44دامنه دمای مایع2-110●„ƒحداکثر فشار سیستم1 0mpa ​

Heat Distribution Control Panel circulator pump
پمپ سیرکولاتور GPD 25-7.5SFC آمریکای شمالی

طول بدنه پمپ ۶ و نیم فوت قدرت ۱۸۰/۱۷۰/۱۳۵ وات حداکثر جریان ۱۷ گالن در دقیقه حداکثر سر ۱۹ فوت فعلی 0.9/0.7/0.5 آمپر ولتاژ/فرکانس ۱۱۵/۲۳۰ ولت ۵۰/۶۰ هرتز محفظه پمپ چدن پمپ مایع آب کلاس عایق ح درجه حفاظت IP44 محدوده دمای مایع ۲-۱۱۰℃ حداکثر فشار سیستم 1.0 مگاپاسکال ​

Three Speed Circulation Pump
پمپ گردش خون سه سرعته 25-7S

طول بدن پمپ130/180 میلی مترقدرت70/115/140Wحداکثر جریان3 5m³/hحداکثر سر7 مترجاری0. 73/0. 52/0. 33بوهاولتاژ/ فرکانس220 ~ 240 ولت ، 50Hzمحفظه پمپاژچدنمایع پمپ شدهابکلاس عایقسخنرانیدرجه حفاظتIP44دامنه دمای مایع2~110●„ƒحداکثر فشار سیستم1 0mpa ​

به کمک نیاز دارید؟

یک پیام بگذارید
اگر به پمپ های Shinhoo علاقه دارید و می خواهید جزئیات بیشتری را بدانید ، لطفاً یک پیام را در اینجا بگذارید ، ما به محض اینکه می توانیم به شما پاسخ خواهیم داد.
ارسال کردن
دنبال افتخار?
با ما تماس بگیرید #
+86 0551 62379807

ساعتهای ما

دوشنبه 11/21 - چهارشنبه 11/23: 9 صبح - 8 بعد از ظهر
پنجشنبه 11/24: بسته - شکرگذاری مبارک!
جمعه 11/25: 8 صبح - 10 عصر
شنبه 11/26 - خورشید 11/27: 10 صبح - 9 بعد از ظهر
(تمام ساعت ها زمان شرقی هستند)

خانه

محصولات

تماس