Horizontal Multistage Centrifugal Pump
Horizontal Multistage Centrifugal Pump

پمپ گریز از مرکز افقی چند مرحله ای AHM-403T سه فاز

داده های فنی

ولتاژ نامی

۳۸۰ ولت

سر دارای رتبه

۲۸ متر

جریان نامی

۴ متر مکعب در ساعت

حداکثر سر

۳۳ متر

حداکثر جریان

۹.۵ متر مکعب در ساعت

کلاس عایق

ف

فشار طراحی

10 بار

لرزش

<2.8 میلی‌متر بر ثانیه

کلاس حفاظت

IP54

فرکانس

۵۰ هرتز

جریان نامی

۱.۴۸ آمپر

قدرت نامی

۵۵۰ وات

سر دارای رتبه

۲۸ متر

حداکثر توان

۸۵۰ وات

حداکثر سر

۳۳ متر

حداکثر راندمان واحد

۴۷٪

کلاس عایق

ف

نویز

<55dB (A)

  • مورد شماره:

    AHM-403T

آبرسانی و تقویت کننده

سیستم گردش صنعتی

سیستم خنک‌کننده مایع ایستگاه شارژ

سیستم خنک‌کننده مایع ذخیره‌سازی

سیستم‌های آبرسانی خانگی

سیستم‌های گردش آب گرم و تهویه مطبوع

سیستم‌های گردش صنعتی

نظافت و سیستم‌های آبیاری بارانی باغ

سیستم‌های خنک‌کننده مایع مرکز داده

۱. جنس – فولاد ضد زنگ

2. پروانه چند مرحله‌ای، هد بالا

3. آب‌بند مکانیکی دوطرفه، نگهداری آسان

۴. طراحی بلوک فشرده

۵. تمام قطعات هیدرولیکی که با سیال در تماس هستند، مانند محفظه‌های مرحله‌ای، پروانه‌ها و دیفیوزرها

شرایط کاری

۱. منبع تغذیه: ۱~۲۲۰ ولت/۵۰ هرتز؛

۲. حداکثر فشار سیستم: ≤۱.۰MPa؛

۳. کلاس عایق: F؛

4. سطح حفاظت: IP54؛

5. دمای مایع انتقال دهنده: -25℃~90℃؛

6. مایع تحویل: آب تمیز؛

۷. این پمپ آب برای انتقال آب آشامیدنی، آب گرم، آب صنعتی، آب کندانس، مخلوط اتانول و آب (با حداکثر میزان اتانول ۴۰٪) و سایر مایعاتی که حاوی روغن معدنی، الیاف بلند یا مواد خورنده نباشند، مناسب است.

یادداشت‌های طراحی

۱. حفاظت موتور برای موتور AC سه فاز اختیاری است یا باید در محل ارائه شود

۲. موتور AC تک فاز مجهز به محافظ حرارتی موتور و خازن داخلی

صدور گواهینامه محصول

این محصول با الزامات صدور گواهینامه 3C مطابقت دارد.

الزامات محیط برنامه کاربردی

از رسانه استفاده کنید: محلول مخلوط آب زلال/آب + اتیلن گلیکول (≤50%)

دمای متوسط آب: 0 ~ 110℃/-25℃ ~ 110℃

مقدار PH متوسط : ۶.۵-۸.۵

سختی متوسط: ۲۵ درجه سانتیگراد

محتوای ناخالصی جامد در محیط: قطر و جهت طول ناخالصی جامد ≤ 0.1 میلی‌متر و نسبت حجمی ≤ 0.1٪.

الزامات محیط خدمات

طریقه استفاده: محور را افقی نگه دارید

ارتفاع: < ۳۰۰۰ متر

دمای محیط عملیاتی: ۲۵- درجه سانتیگراد ~ ۵۵ درجه سانتیگراد ( عدم یخ زدگی در لوله و پمپ آب )

رطوبت محیط عملیاتی: ≤95٪

الزامات محیط ذخیره‌سازی

دمای محیط نگهداری: -30℃~60℃ (هیچ گونه انجمادی در خط لوله و پمپ آب وجود ندارد)

رطوبت محیط نگهداری: ≤95٪

بازرسی کارخانه

تشخیص سفتی دستگاه

تشخیص عایق موتور

مقاومت در برابر تشخیص ولتاژ

تشخیص جریان نشتی

تشخیص مقاومت زمین

توان بدون بار، تشخیص جریان

تشخیص نوبت

آزمون قابلیت اطمینان

آزمایش عملکرد هیدرولیکی

آزمایش ارتعاش

تست نویز

آزمایش فشار آب

تست ایمنی الکتریکی کل ماشین

تست سطح حفاظت

آزمایش اسپری نمک

آزمایش شوک حرارتی

افزایش دما

آزمایش میعانات

آزمون زندگی

آزمون شروع-توقف

آزمایش دما و رطوبت بالا

دستورالعمل‌های نصب و ایمنی

۱. مایع پمپ شده ممکن است مایعی با دما و فشار بالا باشد. قبل از جابجایی و جداسازی پمپ، مایع موجود در سیستم باید تخلیه شود یا شیرهای قطع و وصل در دو طرف پمپ باید بسته شوند تا از سوختگی جلوگیری شود.

۲. در زمستان، زمانی که سیال مورد استفاده آب تمیز است، اگر سیستم پمپ کار نمی‌کند یا دمای محیط کمتر از ۰ درجه سانتیگراد است، مایع موجود در سیستم لوله‌کشی باید تخلیه شود تا از یخ‌زدگی و ترک خوردن بدنه پمپ جلوگیری شود.

۳. اگر پمپ برای مدت طولانی استفاده نمی‌شود، لطفاً شیر لوله آب را در ورودی و خروجی پمپ ببندید و منبع تغذیه پمپ را قطع کنید. اگر متوجه شدید که موتور داغ یا غیرعادی است، لطفاً فوراً شیر انتهای ورودی پمپ را ببندید، منبع تغذیه پمپ را قطع کنید و فوراً با فروشنده یا مرکز خدمات محلی خود تماس بگیرید.

۴. این محصول باید دور از دسترس کودکان قرار گیرد. پس از نصب، اقدامات ایزوله‌سازی باید انجام شود تا از تماس کودکان با آن جلوگیری شود.

5. جهت نصب پمپ آب این است که جهت محوری پمپ افقی باشد.

6. پمپ آب باید نصب شود تا از باران، آب، قرار گرفتن در معرض و سایر مکان ها جلوگیری شود.

۷. پمپ آب نمی‌تواند مستقیماً با اجسام سخت برخورد کند.

۸. روشن کردن پمپ آب بدون آب برای جلوگیری از ساییدگی و پارگی آب‌بند مکانیکی یا حتی سوختن دستگاه ممنوع است.

۹. مایع پمپ شده رقیق، تمیز، غیر خورنده و غیر انفجاری است، حاوی هیچ فیبر یا روغن معدنی نیست و قطر و طول ذرات جامد ≤۰.۱ میلی‌متر و نسبت حجمی ≤۰.۱٪ است. پمپ نباید برای انتقال مایعات قابل اشتعال مانند روغن نباتی و بنزین استفاده شود. اگر پمپ در موقعیتی با ویسکوزیته بالا استفاده شود، عملکرد پمپ کاهش می‌یابد، بنابراین هنگام انتخاب پمپ، ویسکوزیته محیط مایع مورد انتقال باید در نظر گرفته شود.

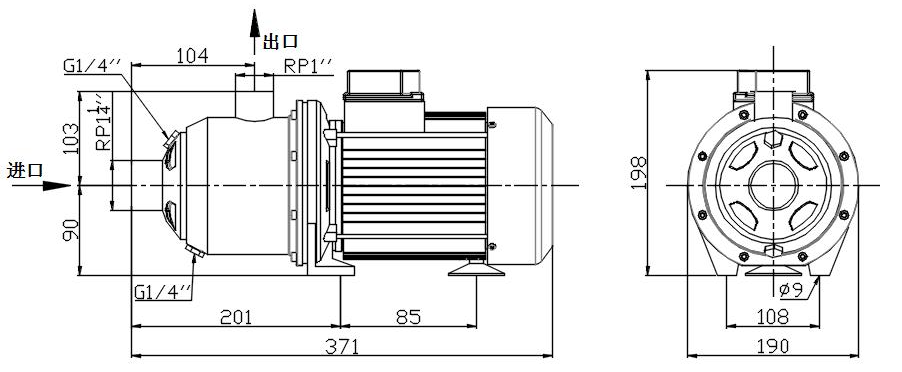
Installation dimension drawing

منحنی عملکرد

این منحنی عملکرد برای آب با دمای معمولی مناسب است، مانند پمپ برای محیط غیر آبی، عملکرد هیدرولیکی پمپ کاهش می‌یابد، بنابراین، در انتخاب پمپ، باید ویژگی‌های محیط مایع را در نظر گرفت.

جریان-هد

circulation pump supplier

جریان-قدرت

erp frequency circulation pump

یک پیام بگذارید
اگر به پمپ های Shinhoo علاقه دارید و می خواهید جزئیات بیشتری را بدانید ، لطفاً یک پیام را در اینجا بگذارید ، ما به محض اینکه می توانیم به شما پاسخ خواهیم داد.
ارسال کردن

محصولات مرتبط

pressure booster pump
پمپ گریز از مرکز افقی چند مرحله ای سه فاز AHM-1604T

ولتاژ نامی ۳۸۰ ولت سر دارای رتبه ۳۲ متر جریان نامی ۱۶ متر مکعب در ساعت حداکثر سر ۴۸ متر حداکثر جریان ۲۳ متر مکعب در ساعت کلاس عایق ف فشار طراحی 10 بار لرزش < ۲.۸ میلی‌متر بر ثانیه کلاس حفاظت IP54 فرکانس ۵۰ هرتز جریان نامی ۴.۵۲ آمپر قدرت نامی ۲۲۰۰ وات نویز < ۶۳ دسی‌بل (A) حداکثر توان ۳۱۰۰ وات ​

pressure booster pump
پمپ گریز از مرکز چند مرحله ای افقی سه فاز AHM-1603T

ولتاژ نامی ۳۸۰ ولت سر دارای رتبه ۲۵ متر جریان نامی ۱۶ متر مکعب در ساعت حداکثر سر ۳۶ متر حداکثر جریان ۲۳ متر مکعب در ساعت کلاس عایق ف فشار طراحی 10 بار لرزش < ۲.۸ میلی‌متر بر ثانیه کلاس حفاظت IP54 فرکانس ۵۰ هرتز جریان نامی ۴.۰۱A قدرت نامی ۱۸۵۰ وات نویز < ۶۳ دسی‌بل (A) حداکثر توان ۲۵۰۰ وات ​

Horizontal Multistage Centrifugal Pump
پمپ گریز از مرکز افقی چند مرحله ای AHM-805T سه فاز

ولتاژ نامی ۳۸۰ ولت سر دارای رتبه ۴۸ متر جریان نامی 8 متر مکعب در ساعت حداکثر سر ۵۹ متر حداکثر جریان ۱۵ متر مکعب در ساعت کلاس عایق ف فشار طراحی 10 بار لرزش < ۲.۸ میلی‌متر بر ثانیه کلاس حفاظت IP54 فرکانس ۵۰ هرتز جریان نامی ۴.۰۱A قدرت نامی ۱۸۵۰ وات نویز < ۶۲ دسی‌بل (A) حداکثر قدرت ۲۲۰۰ وات ​

 Horizontal Multistage Centrifugal Pump
پمپ گریز از مرکز افقی چند مرحله ای AHM-804T سه فاز

ولتاژ نامی ۳۸۰ ولت سر دارای رتبه ۳۸ متر جریان نامی 8 متر مکعب در ساعت حداکثر سر ۴۸ متر حداکثر جریان ۱۵ متر مکعب در ساعت کلاس عایق ف فشار طراحی 10 بار لرزش < ۲.۸ میلی‌متر بر ثانیه کلاس حفاظت IP54 فرکانس ۵۰ هرتز جریان نامی ۳.۶۲A قدرت نامی ۱۵۰۰ وات نویز < ۶۲ دسی‌بل (A) حداکثر توان ۱۹۰۰ وات ​

Horizontal Multistage Centrifugal Pump
پمپ گریز از مرکز افقی چند مرحله ای AHM-803T سه فاز

ولتاژ نامی ۲۲۰ ولت سر دارای رتبه ۲۸ متر جریان نامی 8 متر مکعب در ساعت حداکثر سر ۳۵ متر حداکثر جریان ۱۵ متر مکعب در ساعت کلاس عایق ف فشار طراحی 10 بار لرزش < ۲.۸ میلی‌متر بر ثانیه کلاس حفاظت ها IP54 فرکانس ۵۰ هرتز جریان نامی ۶.۵۵ آمپر قدرت نامی ۱۱۰۰ وات نویز < ۶۲ دسی‌بل (A) حداکثر توان ۱۴۰۰ وات ​

Horizontal Multistage Cenrifugal Pump
پمپ گریز از مرکز افقی چند مرحله ای AHM-405T سه فاز

ولتاژ نامی ۳۸۰ ولت سر دارای رتبه ۴۶ متر جریان نامی ۴ متر مکعب در ساعت حداکثر سر ۵۷ متر حداکثر جریان ۹.۵ متر مکعب در ساعت کلاس عایق ف فشار طراحی 10 بار لرزش < ۲.۸ میلی‌متر بر ثانیه کلاس حفاظت ها IP54 قدرت نامی ۱۱۰۰ وات نویز < 60 دسی‌بل (A) حداکثر توان ۱۵۰۰ وات ​

Horizontal Multistage Centrifugal Pump
پمپ گریز از مرکز افقی چند مرحله ای AHM-404T سه فاز

ولتاژ نامی ۳۸۰ ولت سر دارای رتبه ۳۵ متر جریان نامی ۴ متر مکعب در ساعت حداکثر سر ۴۲ متر حداکثر جریان ۹.۵ متر مکعب در ساعت کلاس عایق ف فشار طراحی 10 بار لرزش ​

Horizontal Multistage Centrifugal Pump
پمپ گریز از مرکز افقی چند مرحله ای AHM-203T سه فاز

ولتاژ نامی ۳۸۰ ولت سر دارای رتبه ۲۸ متر جریان نامی ۲ متر مکعب در ساعت حداکثر سر ۳۳ متر حداکثر جریان 6 متر مکعب در ساعت کلاس عایق ف فشار طراحی 10 بار لرزش < ۲.۸ میلی‌متر بر ثانیه کلاس حفاظت IP54 فرکانس ۵۰ هرتز جریان نامی ۱.۴۸ آمپر قدرت نامی ۵۵۰ وات نویز < ۶۲ دسی‌بل ( الف ) حداکثر قدرت ۶۵۰ وات ​

hot water circulation pump
پمپ گردش خون سه سرعته 25-16S

مدل25-16 اساسیقدرت700/450/400Wحداکثر جریان14 5/12/9 2m³/hحداکثر سر16/13/11mولتاژ/ فرکانس220/380V 3PH 50Hzمحفظه پمپاژچدنمایع پمپ شدهابکلاس عایقسخنرانیدرجه حفاظتIP42دامنه دمای مایع2-110●„ƒحداکثر فشار سیستم1 0mpa ​

Horizontal Multistage Centrifugal Pump
پمپ گریز از مرکز چند مرحله ای MHI-202

ولتاژ دارای امتیاز220 ولتقدرت دارای امتیاز370Wجریان دارای امتیاز2m³/hجریان فعلی2 58aحداکثر جریان5m³/hسر دارای امتیاز18 مترفشار طراحی10 نوارحداکثر سر20 مترطبقه حفاظتIP54کلاس عایقجبسامد50 هرتزارتعاشœ2 8mm/sسر و صداœ55db (الف)حداکثر قدرت430W ​

High Efficiency Circulator pump Manufacturer
کلاسیک S 25-4 PWM پمپ گردش خون بالا

منبع تغذیه220-240V 50/60Hz ، PEحفاظت حرکتیحفاظت خارجی لازم نیستکلاس IPIP44کلاس عایقسخنرانیرطوبت(rh)حداکثر 95 ٪فشار سیستم1 0 MPaرعایتCE/ GS/ EMC/ LVD/ ROHS/ REACHدمای محیط0~+40●„ƒدرجه حرارتTF110دمای مایع-30~+110●„ƒ (گلیکول تا 50 ٪)ولتاژ/ فرکانس230 ولت/50 هرتزمحفظه پمپاژچدنانرژی (EEI)≤0 23 قسمتی ​

North America Circulation Pump
پمپ سیرکولاسیون مگا ۳۲-۸ آمریکای شمالی

محافظت از موتور بدون نیاز به حفاظت خارجی کلاس آی پی IP44 کلاس عایق ح رطوبت(آر اچ) حداکثر ۹۵٪ فشار سیستم ۱.۰ مگاپاسکال انطباق CE/GS/EMC/LVD/RoHS/REACH دمای محیط 0~+40℃ کلاس دما TF110 دمای مایع -30 ~ +110℃(گلیکول تا ۵۰٪) ولتاژ/فرکانس ۱۱۰/۲۳۰ ولت، ۶۰ هرتز محفظه پمپ چدن/فولاد ضد زنگ انرژی (EEI) ≤0.23-قسمت دوم ​

به کمک نیاز دارید؟

یک پیام بگذارید
اگر به پمپ های Shinhoo علاقه دارید و می خواهید جزئیات بیشتری را بدانید ، لطفاً یک پیام را در اینجا بگذارید ، ما به محض اینکه می توانیم به شما پاسخ خواهیم داد.
ارسال کردن
دنبال افتخار?
با ما تماس بگیرید #
+86 0551 62379807

ساعتهای ما

دوشنبه 11/21 - چهارشنبه 11/23: 9 صبح - 8 بعد از ظهر
پنجشنبه 11/24: بسته - شکرگذاری مبارک!
جمعه 11/25: 8 صبح - 10 عصر
شنبه 11/26 - خورشید 11/27: 10 صبح - 9 بعد از ظهر
(تمام ساعت ها زمان شرقی هستند)

خانه

محصولات

تماس